Đặc điểm nổi bật
-
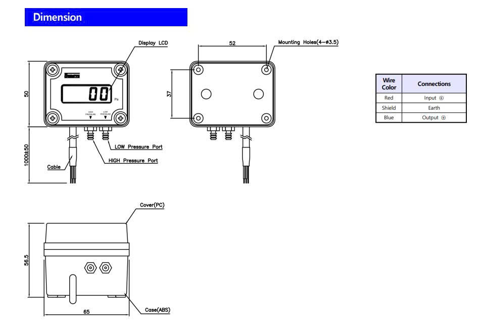
Màn hình LCD 3 1/2 digit hiển thị rõ ràng giá trị áp suất chênh áp
-
Ngõ ra analog 4–20mA, 2 wire – dễ dàng tích hợp PLC/BMS
-
Dải đo rộng: từ 0~300Pa đến 100kPa
-
Độ chính xác cao ±0.5%FS
-
Cảm biến áp điện trở Silicon (Piezoresistive silicon cell)
-
Sử dụng cho môi chất không ăn mòn, không ion hóa
-
Thiết kế bền bỉ, chịu rung và va đập tốt
Ứng dụng tiêu biểu
Cảm biến chênh áp Sensys DPD được sử dụng rộng rãi trong:
-
Đo lưu lượng gió (Airflow Measurement)
-
Giám sát áp suất phòng (Room Static Pressure)
-
Hệ thống VAV Box
-
Tủ hút khí độc / Phòng thí nghiệm (Lab – Fume Hood Control)
-
Phòng sạch (Clean Room Control)
-
Hệ thống HVAC, BMS, AHU, FCU
Thông số kỹ thuật cảm biến chênh áp Sensys DPD
Dải đo (Range)
-
0~300Pa, 500Pa
-
1, 2, 5, 10, 20, 50, 100kPa
Hiệu suất đo
-
Độ chính xác: ±0.5%FS ±1 digit
-
Ảnh hưởng nhiệt độ lên Zero: ±0.08%FS/℃
-
Ảnh hưởng nhiệt độ lên Span: ±0.08%FS/℃
-
Nhiệt độ bù: 0 ~ 50℃
-
Nhiệt độ làm việc: -10 ~ 70℃
Thông số điện
Thông số cơ khí
-
Áp suất chịu đựng (Proof Pressure): 300%FS Max
-
Áp suất phá hủy (Burst Pressure): 500%FS Min
-
Chịu rung: 49.1 m/s² (5G), 10~500Hz
-
Chịu sốc: 490 m/s² (50G)
-
Cổng áp suất: 1/8" Nipple
-
Vật liệu tiếp xúc môi chất: Đồng mạ Ni, SiO₂, cao su Silicon
-
Khối lượng: ~150g

Thông tin đặt hàng (Ordering Information)
Ví dụ mã đặt hàng: DPDH 0750 A
-
Model: DPD
-
Đơn vị áp suất:
Lý do nên chọn cảm biến chênh áp Sensys DPD
-
Thương hiệu Sensys – Hàn Quốc uy tín toàn cầu
-
Độ ổn định và độ chính xác cao trong đo áp suất thấp
-
Phù hợp nhiều tiêu chuẩn hệ thống HVAC và phòng sạch
-
Dễ lắp đặt, vận hành và bảo trì
-
Giá thành tối ưu so với hiệu suất
Kết luận
Cảm biến áp suất chênh áp Sensys DPD là giải pháp lý tưởng cho các ứng dụng đo chênh áp không khí và khí không ăn mòn, đặc biệt trong HVAC, phòng sạch và phòng thí nghiệm. Với thiết kế nhỏ gọn, độ chính xác cao và tín hiệu chuẩn công nghiệp 4–20mA, Sensys DPD đáp ứng tốt cả yêu cầu kỹ thuật lẫn hiệu quả kinh tế cho hệ thống của bạn.
Liên hệ để được tư vấn lựa chọn dải đo và báo giá cảm biến chênh áp Sensys DPD phù hợp nhất cho dự án.
Mr.Ngọc – 0916 521 138
Tham khảo thêm các sản phẩm cảm biến áp suất khác tại CẢM BIẾN ÁP SUẤT SENSYS
#Tag:donghoapsuat, donghoapsuatwise, đồng hồ áp suất wise, đồng hồ áp suất wise p110,đồng hồ áp suất wise P252, đồng hồ áp suất màng, đồng hồ áp suất tiếp điểm điện, đồng hồ áp suất thấp, đồng hồ nhiệt độ wise, donhietdo, donhietdowise, đồng hồ nhiệt độ tiếp điểm điện