I. CÔNG NGHỆ & ĐẶC ĐIỂM KỸ THUẬT NỔI BẬT
1. Công nghệ Cảm biến và Cấu tạo
-
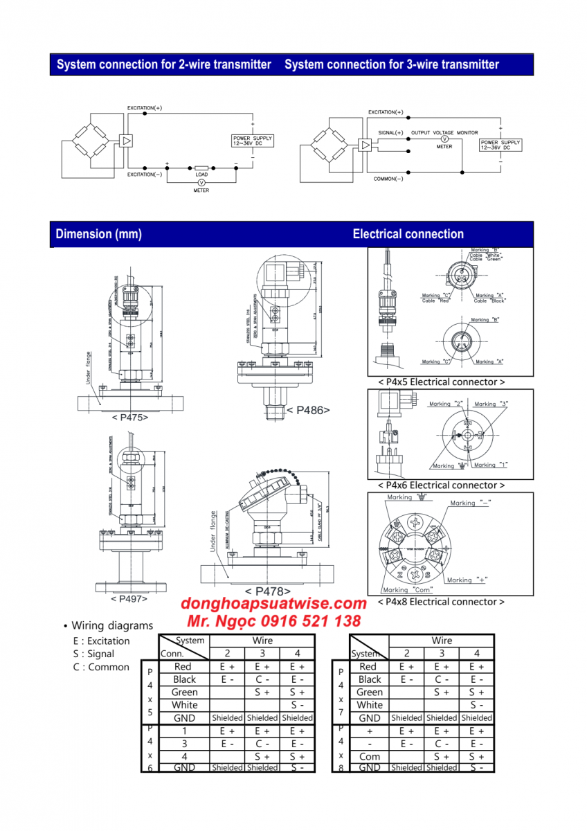
Nguyên lý hoạt động: P4XX Series tích hợp cảm biến silicon áp điện trở (piezoresistive silicon sensor) đã được bù nhiệt độ hoàn toàn. Áp suất tác động lên màng cách ly mỏng, truyền qua dầu silicon (sillicon oil) lấp đầy khoang, đến bộ phận đo lường (cầu Wheatstone). Tín hiệu đầu ra sau đó được chuyển đổi thành tín hiệu dòng điện hoặc điện áp tiêu chuẩn.
-
Độ chính xác: Có hai cấp độ chính xác tùy chọn
-
P4x0(E) series: Độ chính xác cao (±0.30% F.S.O) sử dụng tế bào silicon độ chính xác cao (High Precision silicon cell).
-
P4x0(H) series: Độ chính xác tiêu chuẩn (±0.50% F.S.O) sử dụng tế bào silicon thông thường (General silicon cell)
-
Phạm vi đo lường: Rất rộng, từ chân không đến áp suất cao:
2. Vật liệu Chống ăn mòn Chuyên dụng
P4XX được thiết kế để đo áp suất trong các ứng dụng có tính ăn mòn cao.
-
Màng cách ly (Diaphragm): Vật liệu có thể được lựa chọn theo tính ăn mòn của môi chất , bao gồm: 316L SS, Monel, Hastelloy-C, Titanium, Tantalum, Nickel, và Alloy 20.
-
Phần kết nối: Thân (Housing) và kết nối quy trình (Process connection) làm bằng Inox 304/316.
-
Tùy chọn đặc biệt: Màng cách ly và mặt bích dưới có thể có lớp phủ PTFE (PTFE coating) hoặc lót PTFE (PTFE lining) cho các ứng dụng cực kỳ ăn mòn (áp suất dưới 7 MPa).
II. CÁC PHIÊN BẢN VÀ LỰA CHỌN KẾT NỐI
Dòng P4XX được chia thành ba nhóm cơ bản (P47, P48, P49) dựa trên loại kết nối quy trình (process connection) và nhiều tùy chọn đầu ra điện (electrical connection) khác nhau.

1. Phân loại theo Kết nối Quy trình (Base Model)
2. Phân loại theo Kết nối Điện (Transmitter Type)
3. Tín hiệu Đầu ra (Output Signal)
P4XX hỗ trợ các tín hiệu đầu ra tiêu chuẩn công nghiệp
-
Dòng điện 2/3/4 dây: 4−20 mA DC.
-
Điện áp 3 dây: 1∼5 VDC, 0∼5 VDC, 0∼10 VDC.
-
Nguồn cấp (Excitation): 12−36 V DC.

III. ỨNG DỤNG TRONG CÔNG NGHIỆP
WISE P4XX Series là thiết bị lý tưởng cho:
-
Kiểm soát quy trình trong môi trường ăn mòn: Giám sát và điều khiển áp suất trong các đường ống chứa axit, kiềm, hoặc hóa chất khắc nghiệt.
-
Công nghiệp Giấy & Bột giấy: Đo áp suất hiệu quả trong các khu vực có bột giấy hoặc bùn đặc mà cảm biến thông thường dễ bị tắc nghẽn.
-
Môi trường nhiệt độ cao hoặc cực thấp: Với việc lựa chọn dầu lấp đầy phù hợp, P4XX có thể được sử dụng trong các môi trường có nhiệt độ cực cao hoặc dưới điểm đóng băng
-
Hóa dầu và Hóa chất: Nơi yêu cầu sự lựa chọn vật liệu đặc biệt để chống ăn mòn và đảm bảo an toàn.
-
Cần hỗ trợ tư vấn vui lòng liên hệ: Mr. Ngọc - 0916.521.138
Tham khảo thêm các sản phẩm cảm biến áp suất khác tại CẢM BIẾN ÁP SUẤT WISE
Cụ thể: Cảm biến áp suất chênh áp wise SMT2001, cảm biến áp suất wise P700/P700C, cảm biến áp suất wise P115, cảm biến áp suất wise P116, cảm biến áp suất wise P117, cảm biến áp suất wise P118, cảm biến áp suất wise P119, cảm biến áp suất wise P125, cảm biến áp suất wise P126, cảm biến áp suất wise P127, cảm biến áp suất wise P128, cảm biến áp suất wise P129